Síganos
+502
3994-3031
Contáctenos
×
Tienda
0
Iniciar sesión
Contáctenos
Encuentra los repuestos de tu Motocicleta!
Categoria de Motocicleta
PLAY
SPORT
SCOOTER
TRABAJO
DOBLE PROPOSITO
CHOPPER
MOTOCROSS Y ENDURO
ALTA CILINDRADA
ATV Y ATV
Modelo
DIO 110
ELITE 125
ACTIVA 125
WAVE 110
Año
2018 - 2024
Segmento de Repuestos
TAPADERA DE VALVULAS
CULATA
EJE DE LEVAS
CADENA DE TIEMPO
CILINDRO
TAPA DE CARTER DERECHO
AUTOMATICO DELANTERO
KIT DE CLUTCH
STARTER DE CLUTCH
TAPA DE CARTER IZQUIERDO
PLANTA
MOTOR DE ARRANQUE
BOMBA DE ACEITE
CARTER CENTRAL
CIGÜEÑAL
TRANSMISION
SELECTOR DE CAMBIOS
KIT DE STARTER
CARBURADOR
SILVIN
TABLERO
RETROVISORES
MANDOS Y MANECILLAS
MANDOS Y MANECILLAS CBS/DISK
MANDOS Y MANECILLAS CBS/DRUM
BOMBA DE FRENO
BOMBA DE FRENO CBS
TIMON Y CARETA
POSTE
LODERA DELANTERA
BARRAS DELANTERAS
MORDAZA Y PASTILLAS DELANTERAS
PLATO PORTA FRICCIONES DELANTERAS
PLATO PORTA FRICCIONES DELANTERAS CBS/DRUM
ARO DELANTERO (1)
ARO DELANTERO (2)
PLATO PORTA FRICCIONES TRASERAS
ARO TRASERO
TANQUE DE GASOLINA
SILLON
PLASTICOS LATERALES DE SILLON
FILTRO DE AIRE
VALVULA DE AIRE
ESCAPE
PEDAL DE FRENO
POSAPIES
PATA CENTRAL Y LATERAL
MULETA
AMORTIGUADORES
LODERA TRASERA
PIDEVIAS DELANTEROS Y TRASEROS
STOP TRASERO
BATERIA
ARNES
CHASIS
TAPAS LATERALES FRONTALES
TAPAS LATERALES DE MOTOR
Productos
Sport
CGL 125
2018 - 2024
CARBURADOR
Tarifa pública
Tarifa pública
CARBURADOR
Todos los Productos
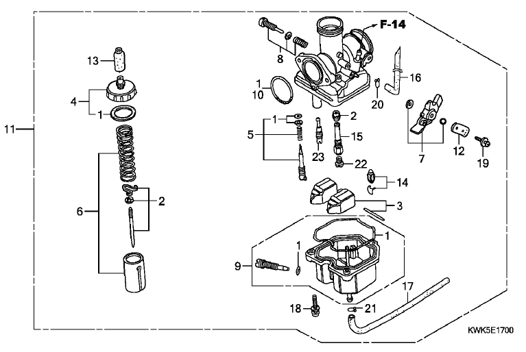
1. 16010-364-771 KIT DE EMPAQUES CARBURADOR
Q
16,26
16.26
GTQ
3. 16013-439-921 FLOTE DE CARBURADOR
Q
50,87
50.870000000000005
GTQ
5. 16016-402-004 AGUJA DE AIRE
Q
169,09
169.09
GTQ
6. 16022-KRF-620 EMBOLO DE CARBURADOR
Q
52,09
52.09
GTQ
8. 16028-KEB-G01 AGUJA DE MEZCLA
Q
17,67
17.67
GTQ
8.1 16028-KSH-890 AGUJA DE MEZCLA
Q
52,01
52.01
GTQ
11. 16100-KRF-T00 CARBURADOR
Q
578,29
578.29
GTQ
14. 16155-KRF-T00 AGUJA DE FLOTE
Q
19,81
19.81
GTQ
15. 16165-KCS-W01 AGUJA DE CARBURADOR
Q
17,84
17.84
GTQ
¿Quieres ser distribuidor Honda?
Nombre
Número de teléfono
Correo electrónico
Describa su campo aquí.
Direccion
Asunto
Separe las direcciones de correo electrónico con una coma.
Enviar